The principle of the surge test is the basis of the research and development of the AIP surge tester.

The principle of the surge tester is to apply a high voltage pulse to the coil, generate the interlayer potential difference by oscillating the circuit, and judge the poor insulation according to the interlayer discharge.

4-新闻
News
April 19, 2023

Principles of surge tester

The principle of the surge tester is to apply a high voltage pulse to the coil, generate an interlayer potential difference through an oscillating circuit, and judge according to the interlayer discharge poor insulation, its main function is to detect the interlayer insulation performance inside the coil. The editor will share with you the principle of surge tester from a technical point of view.

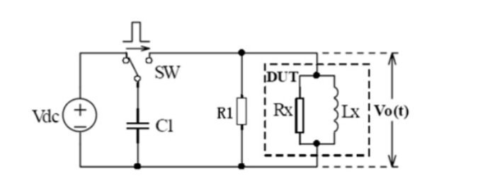
Working circuit diagram of surge tester

(Working circuit diagram of surge tester)

Through the circuit diagram, we can see that the surge tester is a pulse source, which can generate high-voltage pulses with a certain frequency. The "pulse waveform comparison method " is used to check the symmetrical balance of the windings, because the applied high-voltage pulse wave time is short and low energy, it is considered a "non-destructive test"


The waveform of the motor test


"Pulse waveform comparison method": use the pulse voltage applied to the specified peak value at both ends of the coil winding under test to display the attenuation oscillation waveform caused by the pulse voltage in the tested product. Only by comparing the waveforms of the reference coils can we find out whether the coils under test are abnormal. Therefore, in the actual surge withstands voltage test, there must be at least two coils, one is the standard reference coil as the object of comparison, and the other is the coil under test. After the surge tester collects and stores the waveform of the standard coil, the waveform of the test coil is compared with the standard waveform. The difference between the two curves reflects the degree of surge insulation of the tested product. If there is not much difference between the two waveforms, it means that the parameters of the two coils are not much different, and it can be judged that there are no surge faults and hidden dangers in the tested coil.

How to define "whether the difference is too big or not"? We can quantify and compare it from the following indicators.

1. Difference product: By calculating the ratio of the area surrounded by the waveforms of the standard part and the tested part to the area of the standard waveform, the degree of overlap of the waveforms can be judged.

Difference product

2. Area: By calculating the area of the center line of the zero point surrounded by the waveform of the standard part and the measured part, compare the difference, expressed in percentage.

Area

3. Phase: Detect the zero-crossing position, and calculate the difference between the zero-crossing position of the test piece and the standard waveform, expressed in percentage, the formula is as follows:

Phase

4. Corona: Detect the value of the corona discharge part. This value detects the high-frequency glitch value generated by the oscillatory wave discharge in the first oscillation interval under the condition that the test conditions (impulse voltage, sampling frequency) are fixed.

Corona


Common waveform differences are as follows : (the following dotted line is the standard waveform, and the solid line is the tested waveform)

1. Under other conditions being equal, when the oscillation frequency of the test waveform is lower than the standard waveform, it can be judged that the inductance of the coil under test is large, and the possible situation is that the number of turns of the coil has increased.

2. Under other conditions being equal, when the oscillation frequency of the test waveform is higher than the standard waveform, it can be judged that the inductance of the coil under test is small, and the possible situation is: the number of turns of the coil is reduced or a local short circuit occurs.

3. Under the same conditions, when the first half of the test waveform is consistent and the second half is short-circuited, it can be judged that the coil under test cannot start to vibrate due to the attenuation of the electric energy oscillation. The possible situation is: the coil joint has a virtual Welding, when the voltage is high, the virtual welding gap is insufficient due to the insufficient creepage distance of the voltage shock, and a discharge path is formed. After the voltage is reduced, the circuit returns to the open circuit state and the oscillation stop.

4. Under other conditions being equal, when the test waveform is a central straight line, it can be judged that the DUT is in a short circuit state. The possibility is that the coil under test is short-circuited.

5. Under other conditions being equal, when the test waveform is a curve slowly approaching the center line (or an approximately horizontal line at the bottom), it can be judged that the coil under test is in an open circuit state. It is possible that the coil is broken.

6. Under the same conditions, when the test waveform and the original waveform curve have obvious differences not only in amplitude but also in frequency phase, it can be judged that there is a large difference in the inductance and inherent impedance parameters of the tested coil, that is, the surge withstand voltage are poor, and deformation, burrs, and discharge of the test piece may appear in the actual waveform. In addition, it may also come from differences in product characteristics, materials, or processing methods of components.

Coil insulation is the lifeblood of the motor, and the life of the motor depends largely on the life of the insulation, so the surge is essential in the manufacturing process and factory test. AIP researches the characteristics of motors in various industries, and develops surge test technology for different motors, providing an effective guarantee for the safe and stable operation of motors!

AIP, which focuses on global motor testing, all rights reserved, infringement must be investigated, please indicate the source for reprinting.